| Sign In | Join Free | My spintoband.com |
|
Brand Name : GE
Model Number : IS200EGDMH1A
Place of Origin : US
MOQ : 1pc
Price : $3000
Payment Terms : T/T
Supply Ability : 999pcs
Delivery Time : 5-7days
Packaging Details : New and original factory, individual box packing
NameIS200DSPXH1CAA : IS200EGDMH1A Exciter Ground Detector Module Mark VI system GE Turbine Control
Product ID : IS200EGDMH1A
Series : Mark VIe
Function : Discrete Output pack
Product Net Depth/Length : 330mm
Product Net Height : 200mm
Product Net Width : 100mm
Product Net Weight : 2kg
Warranty : 1year
IS200EGDMH1A Exciter Ground Detector Module Mark VI system GE Turbine Control
Product Details:
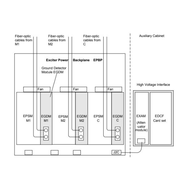
IS200EGDMH1A is an Exciter Ground Detector Module manufactured and designed by General Electric as part of the EX2100 Series used in
Excitation Control Systems. It mounts in the Exciter Power Backplane rack as a double slot, double height (6U) form factor board (EPBP).
The field ground detector measures the resistance in the field between any point in the field circuit of the generator and the ground, whether it is
on the ac or dc side. A redundant system will have three EGDMs, but a simplex system will have one. Figure 1 displays the position of the
EGDM(s). In order to communicate with the EGDM(s), EXAM, the attenuator module, measures the voltage across the ground sensing resistor.
The High Voltage Module, which is housed in the Auxiliary Panel, has the EXAM module mounted in it.


| DS200DTBBG1ABB | DS200TCCAF1BDF |
| DS200SDCIG2AFB | IS200ISBBG1AAB |
| DS200SDCIG2AHB | IS200CABPG1BAA |
| DS200BDAAG1AAA | IS200DSFCG1AEB |
| DS200SIOBH1ABA | IS200DRLYH1BBB |
|
|
GE Mark VI IS200EGDMH1A Exciter Ground Detector Module mark vie control system Images |